
| CAM | Sararmaz Silikon |
| IŞIMA AÇISI | 130° |
| MONTAJ ŞEKLİ | Sıva Üstü |
| YAN KAPAK | Plastik |
| UYGULAMA ALANLARI | Bina Iç Mekan ve Mobilya Aydınlatmaları |
| ÖLÇÜ | 305cm |
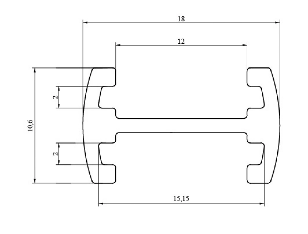
LM LNR AVZ4 1811 Linear Avize Profil (LKS-LNR-AVZ 4), modern iç mekan aydınlatmalarında estetik ve fonksiyonelliği bir arada sunan profesyonel bir LED profil çözümüdür. 305 cm uzunluğu sayesinde geniş alanlarda kesintisiz ve homojen ışık dağılımı sağlar.
130° geniş ışık açısı ile mekan içerisinde dengeli ve etkili aydınlatma sunar. Sararmaz silikon cam yapısı sayesinde uzun yıllar boyunca ışık kalitesini korur ve estetik görünümünü kaybetmez.
Sıva üstü montaj özelliği ile pratik kurulum imkanı sağlar. Plastik yan kapakları ile şık ve bütüncül bir tasarım sunar.
Model: LM LNR AVZ4 1811 Linear Avize Profil
Uzunluk: 305 cm
Işıma Açısı: 130°
Montaj Şekli: Sıva Üstü
Cam: Sararmaz Silikon
Yan Kapak: Plastik
Uygulama Alanları: Bina iç mekan ve mobilya aydınlatmaları
Ofis ve konut iç mekan aydınlatmaları
Dekoratif avize tasarımları
Mobilya içi LED uygulamaları
Mağaza ve showroom aydınlatmaları
Dayanıklı yapısı ve modern çizgileri ile hem dekoratif hem de profesyonel aydınlatma projelerinde güvenle tercih edilir.
